
Tech Specs
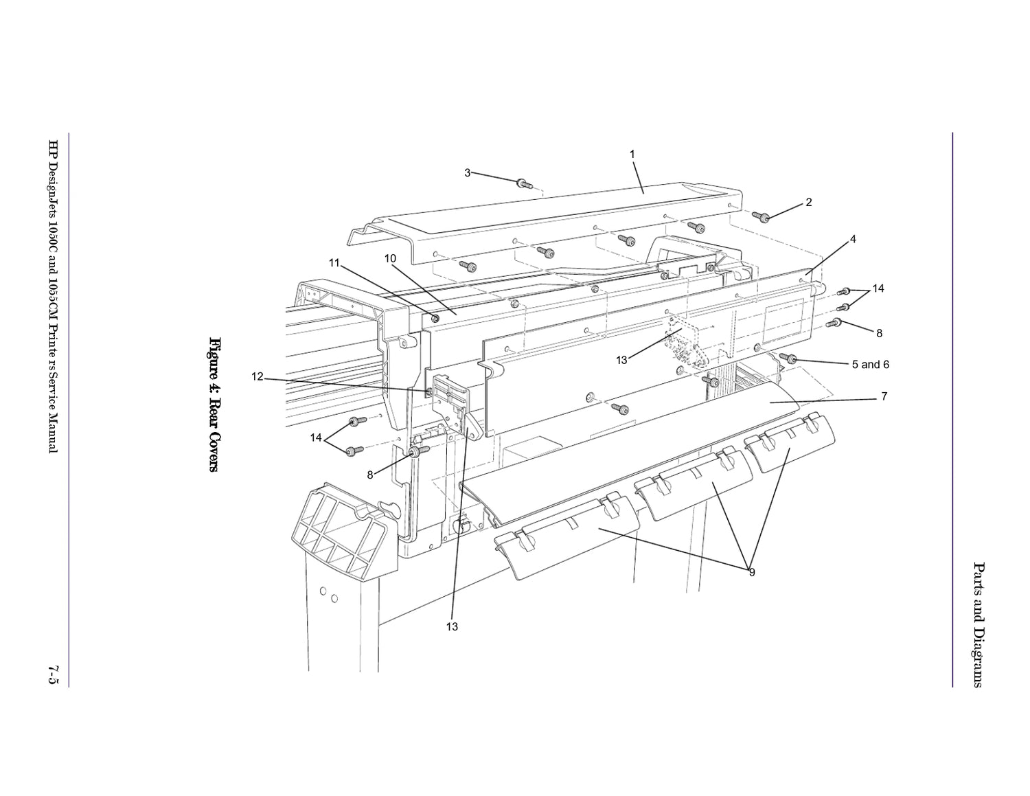
Part Number 8 and 14
Plastite screw (threaded insert mold-in, Textron K40) - M4.0 x 0.7, 20mm long, Torx T15
0624-0771 is compatible with:

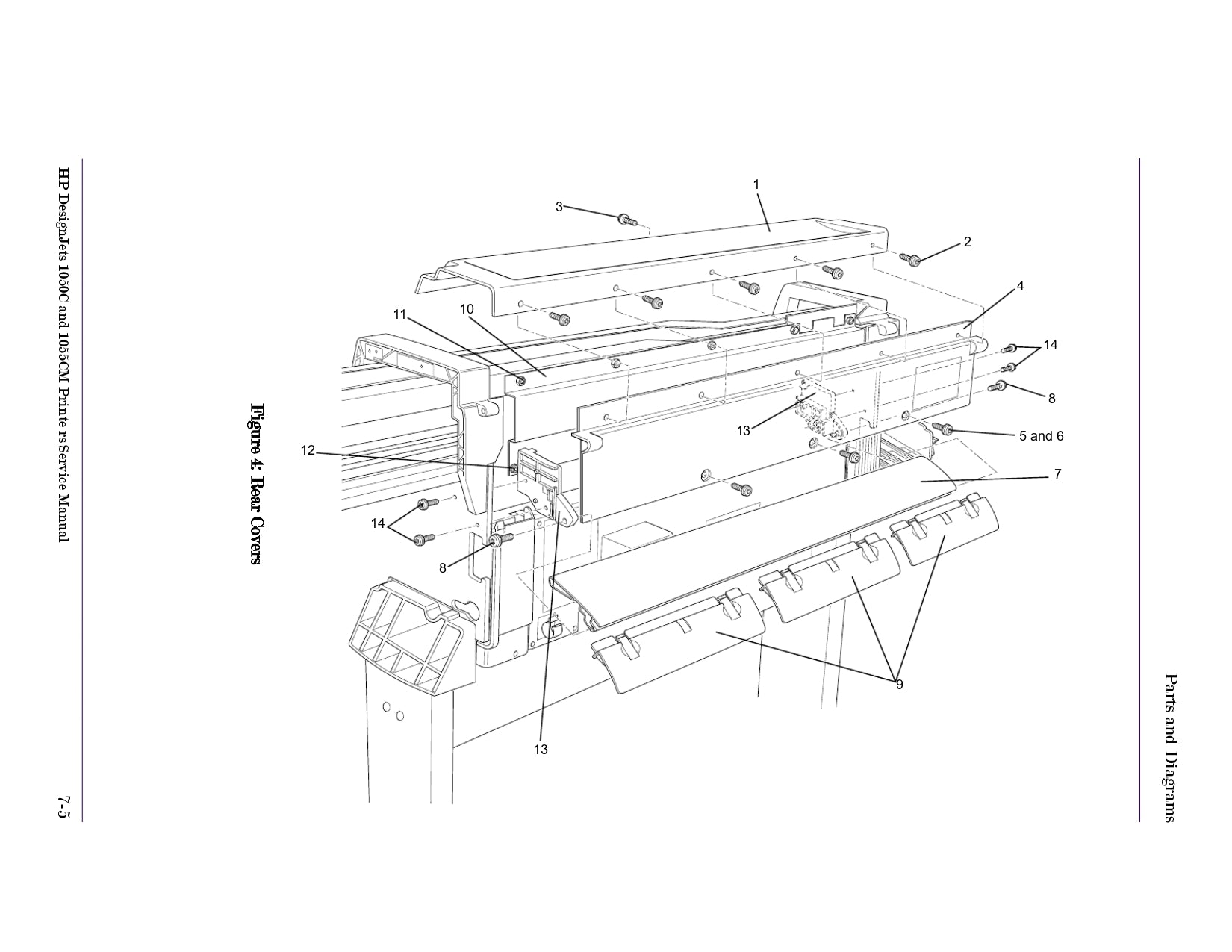
Part Number 8 and 14
Plastite screw (threaded insert mold-in, Textron K40) - M4.0 x 0.7, 20mm long, Torx T15
0624-0771 is compatible with: