





Tech Specs
Description
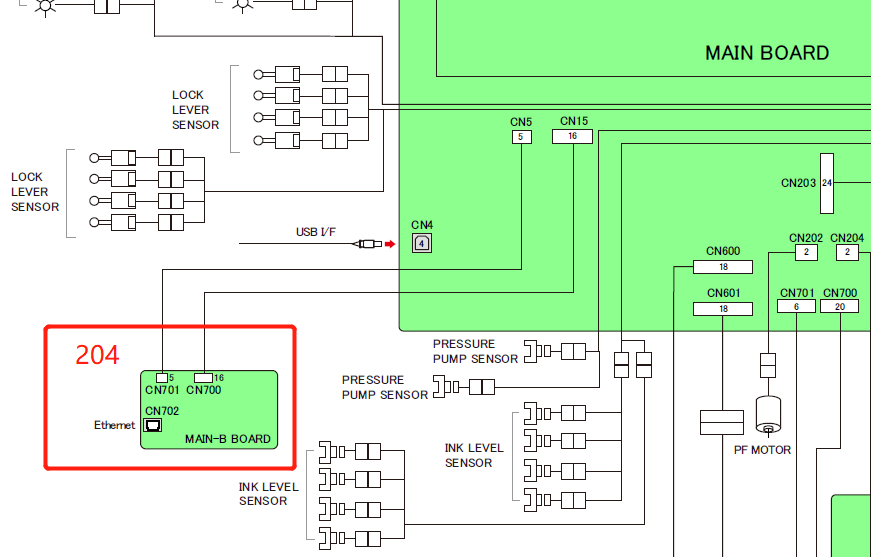
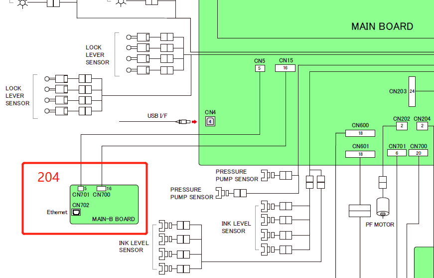
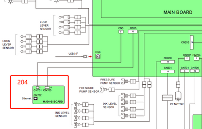
This board is compatible with a series of Epson SureColor printers. This is the original Epson Part (number 2142891)
Condition: Genuine, Original ,100% Brand-new, Unused, Undamaged, Original Packaging
Compatible Models:
- EPSON Surecolor S30600 S30610 S30650 S30670
- EPSON Surecolor S40600 S40610 S40650 S40670
- EPSON Surecolor S50600 S50610 S50650 S50670
- EPSON Surecolor S60600 S60610 S60650 S60670 S60600L S60610L S60670L
- EPSON Surecolor S70600 S70610 S70650 S70670
- EPSON Surecolor S80600 S80610 S80650 S80670 S80600L S80610L S80670L
- EPSON SureColor B7000 B7070
- EPSON SureColor B9000 B9070
- EPSON SureColor F7000 F7070
- EPSON SureColor F7100 F7170
- EPSON SureColor F7200 F7270
- EPSON SureColor F9200 F9270
- EPSON SureColor F9300 F9330 F9340 F9350 F9360 F9370
- EPSON SureColor F9400 F9430 F9440 F9450 F9460 F9470
- EPSON SureColor F9400H F9430H F9440H F9450H F9460H F9470H
Packaged Weight (kg): 0.4


