


Tech Specs
Description
The Emerald QE-256/80 AAA printhead is high performance inkjet printheads designed for a broad range of industrial and commercial printing applications at resolutions of up to 100 dpi. It is compatible with a broad range of inks, including UV-curable, aggressive organic solvent and aqueous inks and associated maintenance fluids.
We recommend to change the head cables when installing a new printhead.
Specifications:
- Number of addressable Jets per module : 256
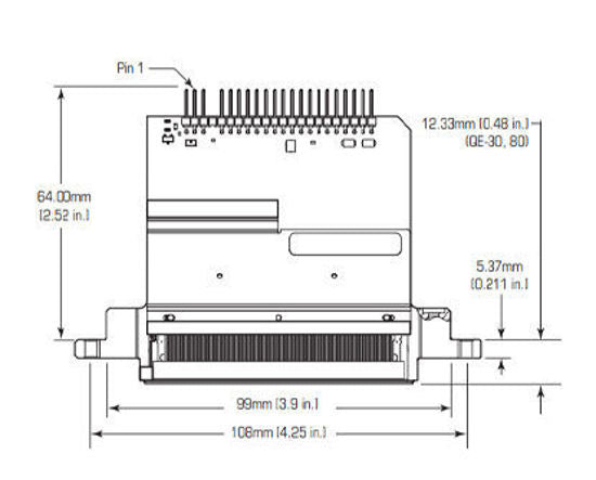
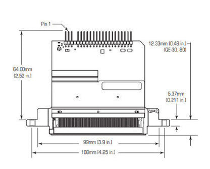
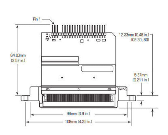
- Print width : 64.77 mm (2.55 inches)
- Native resolution: 100 dpi
- Native drop size: 80 pl
- Largest drop size: 200 pl
- VersaDrop Max Productivity: 1600 ng-kHz with drop sizes between 80 and 200 ng
- Firing Frenquency : 20 kHz
- 80 picoliter nominal drop size
- 256 individually addressable nozzles
- Incorporates VersaDrop™ grayscale jetting capability
- Excellent channel-to-channel uniformity
- High frequency continuous operation
- Lightweight with thin profile
- Supports UV-curable, solvent and aqueous-based inks
- Integral temperature sensor
- Dual-ported with minimal wetted surface area
- OEM accessible non-volatile memory area for tracking purposes
- Integral temperature sensor
- Operation up to 90°C [194°F]


